Water and seawater systems
| Product Code | F3060 |
| Product Name | JIS Storm Angel GSC.25 - 5K |
| Material Codes | GSC25 |
| Design | JIS F3060 |
| Flange and Their Joints | JIS B2220-5K |
| Face to Face Dimensions | - |
| Tests | JIS F7400 |
| Working Temprature | - |
| Pressure | 5K |
Water and seawater systems
| Product Code | F3060 |
| Product Name | JIS Storm Angel GSC.25 - 5K |
| Material Codes | GSC25 |
| Design | JIS F3060 |
| Flange and Their Joints | JIS B2220-5K |
| Face to Face Dimensions | - |
| Tests | JIS F7400 |
| Working Temprature | - |
| Pressure | 5K |
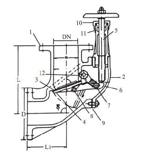
| No | Part | Material |
| 1 | Body | Cast steel GSC25 |
| 2 | Bonnet | Cast steel GSC25 |
| 3 | Packing | Neopren |
| 4 | Disc | Bronze Rg5 |
| 5 | Stem | Special brass/SUS |
| 6 | Disc Lever | Bronze Rg5 |
| 7 | Weight | Lead |
| 8 | Pin | Brass |
| 9 | Gasket | Graphite |
| 10 | Gland | Bronze Rg5 |
| 11 | Gland packing | Graphite |
| 12 | Plug | Brass |
| Product Code | Impa Code | DN | L | L1 | D | nxd | Hcd |
| F3060 | 754251 | 50 | 170 | 90 | 130 | 4x15 | 105 |
| F3060 | 754252 | 65 | 200 | 110 | 155 | 4x15 | 130 |
| F3060 | 754253 | 80 | 220 | 120 | 180 | 4x19 | 145 |
| F3060 | 754254 | 100 | 250 | 130 | 200 | 8x19 | 165 |
| F3060 | 754255 | 125 | 270 | 150 | 235 | 8x19 | 200 |
| F3060 | 754256 | 150 | 310 | 165 | 265 | 8x19 | 230 |