Sıcak ve soğuk su sistemleri, asitik olmayan tüm akışkanlarda
| Ürün Kodu | TC |
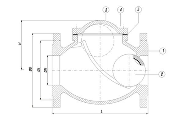
| Ürün Adı | Toplu Cekvalf |
| Malzeme Kodları | GGG40 |
| Dizayn | TS 10873 |
| Flanş Bağlantı Ölçüleri | DIN EN 1092-2 |
| Alından Alına Boyutlar | TS EN 558-1 SERİ 48 - DIN 3202 F6 |
| Testler | TS EN 12666 |
| Çalışma Sıcaklığı C | (-10 .... + 120) |
| Çalışma Basıncı | PN 16 |




