| Ürün Kodu | KRSL 3202 F4 |
| Ürün Adı | DIN 3202 Küresel Vana F4 |
| Malzeme Kodları | GG25 |


| Ürün Kodu | KRSL 3202 F4 |
| Ürün Adı | DIN 3202 Küresel Vana F4 |
| Malzeme Kodları | GG25 |

| No | Part | Material |
| 1 | Body | Cast iron GG25 |
| 2 | Ball | Hardchromed Brass |
| 3 | Seatring | PTFE |
| 4 | Stem | Hardchromed Brass |
| 5 | Stem packing | NBR |
| 6 | Lever | Cast iron Fe 360C |
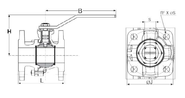
| Ürün Kodu | DN | L | H | B | nxS | S | QJ |
| KRSL 3202 F4 | 40 | 149 | 125 | 230 | 4x7 | 14 | 50 |
| KRSL 3202 F4 | 50 | 150 | 135 | 230 | 4x7 | 14 | 50 |
| KRSL 3202 F4 | 65 | 170 | 143 | 230 | 4x7 | 14 | 50 |
| KRSL 3202 F4 | 80 | 180 | 165 | 280 | 4x9 | 17 | 70 |
| KRSL 3202 F4 | 100 | 190 | 180 | 360 | 4x9 | 17 | 70 |
| KRSL 3202 F4 | 125 | 200 | 225 | 450 | 4x11 | 22 | 102 |
| KRSL 3202 F4 | 150 | 210 | 243 | 560 | 4x11 | 22 | 102 |
| KRSL 3202 F4 | 200 | - | 320 | 1000 | 4x14 | - | 125 |